摘要:深圳鑫光道是一家致力于研发与生产LED交通信号灯的民营高新技术企业。主要产品有LED交通信号灯,交通倒计时器,人行信号灯,行人与肓人过街按钮,交通指示灯,太阳能交通信号灯,太阳能黄闪灯,交通导向牌,智能交通控制器,交通灯杆等各种交通应用产品。新型的交通信号灯又叫做“新一代信息化交通信号灯”,它集成了指挥交通和发布信息的双重功能,是一种建立在新技术上的崭新市政设施,可以为政府进行相关宣传,为商家进行相关广告和一些公益性的信息发布所提供的载体。这种新型信号灯的上端是传统的红黄绿机动灯,下方是一个LED的信息显示屏,目前第二代产品可以最多显示26个中文汉字,可以按照程序远程操作更换显示内容。
新型的信号灯,对政府而言可以建立信息发布平台,为城市增强品牌竞争力,为政府节约市政建设的资金投入;对于商家,则提供了一种成本低、效果更好、受众更广的新型广告推广渠道;而对于普通市民而言,让市民及时了解周边商铺信息、优惠及促销信息以及路口信息、天气预报以及其他便民公益信息,方便了市民的生活。
这种信息化机动车道信号灯,利用LED信息屏作为信息的发布载体,充分利用了现有运行商的移动网络,每支灯安装一组GPRS接收模块,以手机短信作为信息发布中心,向全国数以万计的终端进行监控和数据实时更新,实现了信息发布的及时化和远程化。利用这种技术,不仅提高了管理的方便性,还同时降低了信息更换的成本。
一体式广告人行灯由机动信号灯、LED显示屏、广告吸塑灯箱、显示屏控制卡、箱体组成。
产品技术参数:
| 灯盘尺寸 | 型号 | 颜色 | LED数量 | 亮度或光强 | 波长 | 功率 | 工作电压 |
| 300mm | YT3500-RX300-GG-Y11 | 红人 | 80pcs | >5000cd/㎡ | 625±5nm | ≤9W | 12V/24VDC AC85-265V 50/60Hz |
| 绿人 | 129pcs | >5000cd/㎡ | 505±5nm | ≤8W |
| 红倒计时 | 64pcs | >5000cd/㎡ | 625±5nm | ≤8W |
| 绿倒计时 | 64pcs | >5000cd/㎡ | 505±5nm | ≤10W |
| 双色显示屏 | 当人行灯为红色时显示屏显示红色,当人行灯为绿色时显示绿色 |
| 工作环境温度 | -25℃~+60℃ |
| 外壳材质 | 冷扎板 |
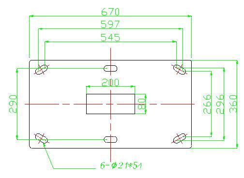
四、一体式信号灯安装孔位图: