首页 >Products>LED traffic light series>INTERGRATION OF TRAFFIC LIGHTS

Products

全国服务热线400-7187-182

  • 所属分类: LED交通信号灯系列
  • 所属品牌: 鑫光道交通灯
  • 产品标签: LED交通信号灯
  • 生产制造: 中国.深圳
  • 联系电话: 86-755-81469180
  • 联系QQ: 393211469
  • 新型的交通信号灯又叫做“新一代信息化交通信号灯”,它集成了指挥交通和发布信息的双重功能,是一种建立在新技术上的崭新市政设施,可以为政府进行相关宣传,为商家进行相关广告和一些公益性的信息发布所提供的载体。这种新型信号灯的上端是传统的红黄绿机动灯,下方是一个LED的信息显示屏,目前第二代产品可以最多显示26个中文汉字,可以按照程序远程操作更换显示内容。
    新型的信号灯,对政府而言可以建立信息发布平台,为城市增强品牌竞争力,为政府节约市政建设的资金投入;对于商家,则提供了一种成本低、效果更好、受众更广的新型广告推广渠道;而对于普通市民而言,让市民及时了解周边商铺信息、优惠及促销信息以及路口信息、天气预报以及其他便民公益信息,方便了市民的生活。
    这种信息化机动车道信号灯,利用LED信息屏作为信息的发布载体,充分利用了现有运行商的移动网络,每支灯安装一组GPRS接收模块,以手机短信作为信息发布中心,向全国数以万计的终端进行监控和数据实时更新,实现了信息发布的及时化和远程化。利用这种技术,不仅提高了管理的方便性,还同时降低了信息更换的成本。
    一体式广告人行灯由机动信号灯、LED显示屏、广告吸塑灯箱、显示屏控制卡、箱体组成。
    3.5米一体式广告人行信号灯 400mm静红人黄倒计时+动绿人二单元,内置语音盲人钟 

    产品技术参数:

    灯盘尺寸型号颜色LED数量亮度或光强波长功率工作电压
    400mmYT3500-RX400-GG-Y187pcs>5000cd/㎡625±5nm≤9W12V/24VDC
    AC85-265V
    50/60Hz
    绿126pcs>5000cd/㎡505±5nm≤8W
    红倒计时128pcs>5000cd/㎡625±5nm≤10W
    绿倒计时128pcs>5000cd/㎡505±5nm≤12W
    双色显示屏1、P10户外红绿双色显示屏: P10,16*16(当人行灯为红色时显示屏显示红色,当人行灯为绿色时显示绿色)
    工作环境温度-25℃~+60℃
    外壳材质冷扎板

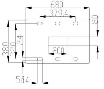
    四、一体式信号灯安装孔位图:
    交通信号灯尺寸图

    \
    在线咨询
    官方微博
    微信扫一扫

    微信扫一扫

    全国免咨询服务热线
    86-755-81469180

    顶 部
    在线咨询
    官方微博
    微信扫一扫

    微信扫一扫

    全国免咨询服务热线
    86-755-81469180

    顶 部