咨询电话:86-755-81469180

首页 >产品中心>LED交通信号灯系列>一体化交通信号灯系列

产品中心

全国服务热线18129951084

  • 所属分类: LED交通信号灯系列
  • 所属品牌: 鑫光道交通灯
  • 产品标签: LED交通信号灯
  • 生产制造: 中国.深圳
  • 联系电话: 86-755-81469180
  • 联系QQ: 974268962
  • 新型的交通信号灯又叫做“新一代信息化交通信号灯”,它集成了指挥交通和发布信息的双重功能,是一种建立在新技术上的崭新市政设施,可以为政府进行相关宣传,为商家进行相关广告和一些公益性的信息发布所提供的载体。这种新型信号灯的上端是传统的红黄绿机动灯,下方是一个LED的信息显示屏,目前第二代产品可以最多显示26个中文汉字,可以按照程序远程操作更换显示内容。
    新型的信号灯,对政府而言可以建立信息发布平台,为城市增强品牌竞争力,为政府节约市政建设的资金投入;对于商家,则提供了一种成本低、效果更好、受众更广的新型广告推广渠道;而对于普通市民而言,让市民及时了解周边商铺信息、优惠及促销信息以及路口信息、天气预报以及其他便民公益信息,方便了市民的生活。
    这种信息化机动车道信号灯,利用LED信息屏作为信息的发布载体,充分利用了现有运行商的移动网络,每支灯安装一组GPRS接收模块,以手机短信作为信息发布中心,向全国数以万计的终端进行监控和数据实时更新,实现了信息发布的及时化和远程化。利用这种技术,不仅提高了管理的方便性,还同时降低了信息更换的成本。
    一体式广告人行灯由机动信号灯、LED显示屏、广告吸塑灯箱、显示屏控制卡、箱体组成。

    产品技术参数:

    灯盘尺寸 型号 颜色 LED数量 亮度或光强 波长 功率 工作电压
    300mm SLR-YTS30-DX-35 红人 80pcs 4800-6800mcd 625±5nm ≤9W 12V/24VDC
    AC85-265V
    50/60Hz
    绿人 129pcs 8500-10500mcd 505±5nm ≤8W
    双色显示屏 当人行灯为红色时显示屏显示红色,当人行灯为绿色时显示绿色
    工作环境温度 -25℃~+60℃
    外壳材质 冷扎板

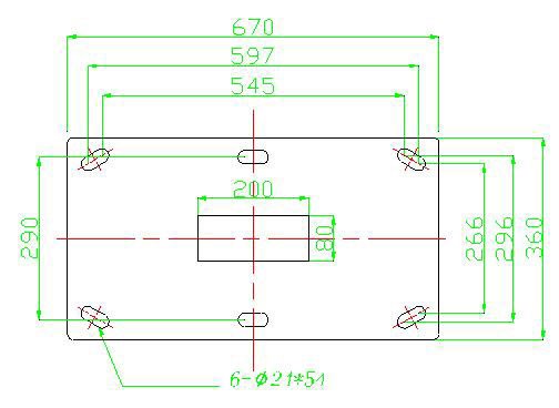
    四、一体式信号灯安装孔位图:
    一体式交通信号灯安装孔位图

    \
    在线客服

    苏航

    周鑫

    郭敏

    陈路

    周澍

    刘艳宏

    skype cal

    赵小姐

    短信咨询