咨询电话:86-755-81469180

首页 >产品中心>LED交通信号灯系列>一体化交通信号灯系列

产品中心

全国服务热线18129951084

  • 所属分类: LED交通信号灯系列
  • 所属品牌: 鑫光道交通灯
  • 产品标签: LED交通信号灯
  • 生产制造: 中国.深圳
  • 联系电话: 86-755-81469180
  • 联系QQ: 974268962
  • 产品特点
    1、光源采用进口高亮度LED,灯壳采用一次性铝压铸或工程塑料注塑成型,灯盘发光面尺寸的为Φ300mm、Φ400mm;
    2、有单面、双面显示等多种型号,可根据客户需求定制产品;
    3、灯杆结构选用优质钢板热镀锌处理后静电表面喷塑处理工艺,经高精度的数控机床加工成型。可防曝晒、雨雪、盐碱气体、灰尘、腐蚀等;
    4、一体式机动车信号灯杆高度规格尺寸有:3.5米、4米、4.2米、4.5米、4.8米、5米等多种规格;
    5、各项技术参数均符合中华人民共和国道路交通信号灯GB14887-2011以及GAT508-2014标准。

    产品技术参数:

    灯盘尺寸 型号 颜色 LED数量 亮度或光强 波长 功率 工作电压
    400mm SLR-YTS40-DX-50 204pcs 4800-6800mcd 625±5nm ≤16W 12V/24VDC
    AC85-265V
    50/60Hz
    204pcs 4500-6500mcd 590±5nm ≤17W
    绿 204pcs 8500-10500mcd 505±5nm ≤13W
    工作环境温度 -25℃~+60℃
    外壳材质 Q235

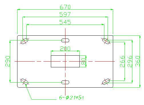
    四、一体式信号灯安装孔位图:
    一体式交通信号灯安装孔位图

    \
    在线客服

    苏航

    周鑫

    郭敏

    陈路

    周澍

    刘艳宏

    skype cal

    赵小姐

    短信咨询